Q41F不銹鋼法蘭球閥選型分析 Q41F不銹鋼法蘭球閥是一種常用的閥門,主要由閥體、球體、閥桿和密封圈等組成。其工作原理是利用球體在閥體內的旋轉運動來控制管道中介質的流通。由于其結構緊湊、密封性能好、操作簡便等特點,廣泛應用于石油、化工、電力、制藥等工業領域。 Q41F-16P不銹鋼球閥是一種全通徑球閥,采用浮動球體結構,具有耐高溫、耐腐蝕、密封性能好等特點。它適用于在石油、化工、制藥、食品等行業中作為調節介質流動的控制裝置,廣泛應用于液體、氣體、蒸汽等介質的控制。 
Q41F不銹鋼法蘭球閥選型分析配件性能1.球體: 球體是不銹鋼球閥的主要部件之一,它的作用是控制閥門的開啟和關閉。Q41F-16P不銹鋼球閥的球體采用不銹鋼制造,具有耐腐蝕、耐高溫、耐磨損等特點,確保了閥門的長期可靠運行。 2.閥桿: 閥桿是連接球體和手柄的部件。Q41F-16P不銹鋼球閥的閥桿采用不銹鋼制造,具有強度高、耐腐蝕、耐磨損等特點,可以保證閥門在開啟和關閉時的穩定性和可靠性。 3.閥座: 閥座是球體與閥體之間的部件,它的作用是確保閥門在關閉狀態下的密封性。Q41F-16P不銹鋼球閥的閥座采用聚四氟乙烯(PTFE)材料制造,具有耐腐蝕、耐高溫、耐磨損等特點,可以有效地保證閥門的密封性和耐用性。 
Q41F不銹鋼法蘭球閥選型分析技術參數閥體材質:不銹鋼; 閥門規格:DN15-DN250; 連接方式:法蘭連接; 壓力等級:PN16-PN64; 適用溫度:-20℃~200℃; 適用介質:水、油、氣體、蒸汽等。 Q41F不銹鋼法蘭球閥選型分析應用領域1.石油化工行業: 適用于各類管路,調節流量; 2.食品、制藥行業: 適用于飲料、乳制品、藥品等管線上,保證產品質量; 3.污水處理行業: 適用于污水處理、污泥處理等場合,控制液位和流量。 
二、Q41F不銹鋼法蘭球閥選型分析主要特點 1. 密封性能好:Q41F不銹鋼法蘭球閥采用軟密封圈作為密封材料,具有良好的密封性能,能夠有效地阻止介質的外泄。 2. 操作簡便:球體在閥體內旋轉運動,動作靈敏,方便手動或自動控制。 3. 耐腐蝕性強:Q41F不銹鋼法蘭球閥采用不銹鋼材料制造,具有良好的耐腐蝕性,能夠適應各種腐蝕性介質的輸送。 4. 流體阻力小:由于球體的旋轉運動,介質在閥門內部流動順暢,減少了流體的阻力,降低了能源的消耗。 5. 使用壽命長:Q41F不銹鋼法蘭球閥的各個部件均采用優質材料制造,具有良好的耐磨性和耐久性,能夠保證閥門長期穩定運行。 6. 維修方便:球體采用旋轉結構,更換密封圈方便快捷,減少了維修時間和成本。 三、Q41F不銹鋼法蘭球閥選型分析工作原理 Q41F不銹鋼法蘭球閥的球體在閥體內做旋轉運動,通過改變球體的位置來控制管道中介質的流通。當球體處于關閉狀態時,介質無法流通;當球體旋轉一定角度后,介質開始流通;當球體打開時,介質暢通無阻。同時,密封圈與球體之間產生的摩擦力能夠保證閥門的密封性能。

四、Q41F不銹鋼法蘭球閥選型分析安裝與使用 1. 安裝:在安裝Q41F不銹鋼法蘭球閥時,應保證閥門的位置正確,連接管道的法蘭緊固,避免產生振動或位移。同時,應確保閥門在管道中的正確流向。 2. 使用:在使用過程中,應定期檢查閥門的密封性能和緊固件是否松動。如發現閥門有泄漏或異常情況應及時處理。在操作時,應緩慢開啟和關閉閥門,避免過快或過猛地操作。 3. 維護:應定期對閥門進行清洗和保養,保持閥門的清潔和良好的潤滑狀態。密封圈是易損件,如發現磨損應及時更換。在維修時,應使用專用的維修工具和材料,避免對閥門造成不必要的損壞。

五、Q41F不銹鋼法蘭球閥選型分析結論 Q41F不銹鋼法蘭球閥作為一種高性能的閥門,具有廣泛的應用前景。其優良的密封性能、耐腐蝕性、流體阻力小等特點使得它在各種工業領域中得到了廣泛的應用。同時,其易于操作、維護方便等優點也得到了用戶的認可和好評。在未來,隨著工業技術的不斷發展和進步,Q41F不銹鋼法蘭球閥將會得到更加廣泛的應用和推廣。 Q41F不銹鋼球閥主要用于截斷或接通介質,也可用于流體的調節與控制。與其它閥類相比,球閥具優點 1、流體阻力小,球閥是所有閥類中流體阻力最小的一種,即使是縮徑球閥,其流體阻力也相當小。 2、開關迅速、方便,只要閥桿轉動90°,球閥就完成了全開或全關動作,很容易實現快速啟閉。 3、密封性能好。球閥閥座密封圈一般采用聚四氟乙烯等彈性材料制造,易于保證密封,而且球閥的密封力隨著介質壓力的增加而增大。 4、閥桿密封可靠。球閥啟閉時閥桿只作旋轉運動,因此閥桿的填料密封不易被破壞,而且閥桿倒密封的密封力隨著介質壓力的增加而增大。 5、球閥的啟閉只做90°轉動,故容易實現自動化控制和遠距離控制,球閥可配置氣動裝置、電動裝置、液動裝置、氣液聯動裝置或電液聯動裝置。 6、球閥通道平整光滑,不易沉積介質,可以進行管線通球。

Q41F不銹鋼法蘭球閥選型分析主要性能規范 Capability Criterion| 設計與制造 | 結構長度 | 法蘭尺寸 | 壓力-溫度 | 試驗-檢驗 | | GB122237 | GB12221 | GB9113 JB79 | GB9131 | GB/T13927 JB/T9092 |
壓力試驗 Pressure Test
| 公稱壓力NominalPressure | 1.6 | 2.5 | 4.0 | 強度試驗 Shell Test | 2.4 | 3.8 | 6.0 | 水密封試驗 Water Seal Test | 1.8 | 2.8 | 4.4 | 氣密封試驗 Air Seal Test | 0.4-0.7 |
主要零件材料 Materials Of main Parts閥體 Body | WCB | ZG1Cr18Ni9Ti | CF8 | CF3 | ZG1Cr18Ni12Mo2Ti | CF8M | CF3M | 球體閥桿 Ball Stem | 304 | 1Cr18Ni9Ti | 304 | 304L | 1Cr18Ni12Mo2Ti | 316 | 316L | 閥座 Seat | 聚四氟乙烯PTFE 加坡纖增強聚四氟乙烯PTFE+Glass 對位聚笨PPL | 墊片 Shim | 聚四氟乙烯PTFE 不銹鋼/柔性石墨Stainless Steel/flexible Graphite 齒形墊片Tooth Profile Gasket | 閥桿座 Stem Seat | 聚四氟乙烯PTFE 不銹鋼/柔性石墨 Stainless Steel/Flexible Graphite | 填料 Packing | 聚四氟乙烯PTFE 增強柔性石墨 Enhanced Flexible Graphite | 填料壓蓋 Gland |
| 1Cr18Ni9Ti | 304 | 304L | 1Cr18Ni12Mo2Ti | 316 | 316L | 溫度 Temperature | -29℃~150℃(聚四氟乙烯 PTFE) -29℃~200℃(加玻纖增強聚四氟乙烯 PTFE+GLASS) -29℃~300℃(對位聚笨 PPL) -29℃~550℃(金屬硬密封) | 介質 Medium | 水蒸汽油品 Water steam Oil goods | 硝酸類 Nitric Acid | 強氧化介質 strongey oxidable medium | 醋酸類 Acetic Acid | 尿素類Urea |
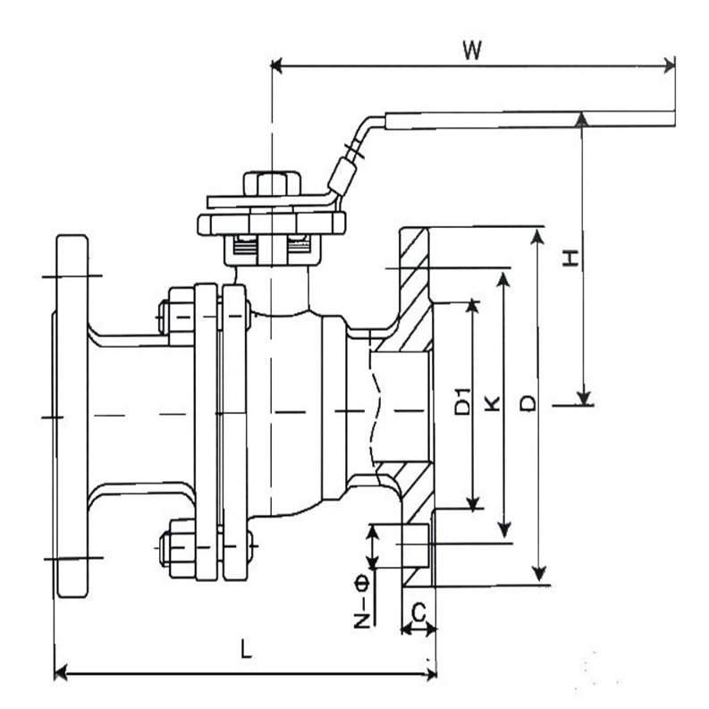
Q41F不銹鋼法蘭球閥選型分析外形結構圖

Q41F不銹鋼法蘭球閥選型分析主要外型尺寸 Main outer Size
| 1.6MPa | DN | L | D | D1 | D2 | b | n-φd | H | D0 | 凸面法蘭 RF Q41F-16C Q41PPL 16C 16P 16R | 15 | 130 | 95 | 65 | 45 | 14 | 4-14 | 78 | 140 | | 20 | 140 | 105 | 75 | 55 | 14 | 4-14 | 84 | 160 | | 25 | 150 | 115 | 85 | 65 | 14 | 4-14 | 95 | 180 | | 32 | 165 | 135 | 100 | 78 | 16 | 4-18 | 150 | 250 | | 40 | 180 | 145 | 110 | 85 | 16 | 4-18 | 150 | 300 | | 50 | 200 | 160 | 125 | 100 | 18 | 4-18 | 170 | 350 | | 65 | 220 | 180 | 145 | 120 | 20 | 4-18 | 195 | 350 | | 80 | 250 | 195 | 160 | 135 | 20 | 8-18 | 215 | 400 | | 100 | 280 | 215 | 180 | 155 | 20 | 8-18 | 250 | 500 | | 125 | 320 | 245 | 210 | 185 | 22 | 8-18 | 265 | 600 | | 150 | 360 | 280 | 240 | 210 | 24 | 8-23 | 270 | 800 | | 200 | 400 | 335 | 295 | 265 | 26 | 12-23 | 330 | 1200 | | 2.5MPa | 15 | 130 | 95 | 65 | 45 | 16 | 4-14 | 103 | 140 | 凸面法蘭 RF Q41F-25C Q41PPL 25C 25P 25R | 20 | 140 | 105 | 75 | 55 | 16 | 4-14 | 112 | 160 | | 25 | 150 | 115 | 85 | 65 | 16 | 4-14 | 123 | 180 | | 32 | 165 | 135 | 100 | 78 | 18 | 4-18 | 150 | 250 | | 40 | 180 | 145 | 110 | 85 | 18 | 4-18 | 156 | 300 | | 50 | 200 | 160 | 125 | 100 | 20 | 8-18 | 172 | 350 | | 65 | 220 | 180 | 145 | 120 | 22 | 8-18 | 197 | 350 | | 80 | 250 | 195 | 160 | 135 | 22 | 8-23 | 222 | 400 | | 100 | 280 | 230 | 190 | 160 | 24 | 8-23 | 253 | 500 | | 125 | 320 | 270 | 220 | 188 | 28 | 8-25 | 275 | 600 | | 150 | 360 | 300 | 250 | 218 | 30 | 8-25 | 286 | 800 | | 200 | 400 | 360 | 310 | 278 | 34 | 12-25 | 340 | 1200 |
Q41F不銹鋼法蘭球閥選型分析規格主要尺寸 Size Main Dimensions
| 4.0MPa | DN | L | D | D1 | D2 | D6 | b | n-φd | H | D0 | 凹凸法蘭 MFM Q41F-40C Q41PPL 40C 40P 40R | 15 | 130 | 95 | 65 | 45 | 40 | 16 | 4-14 | 103 | 140 | | 20 | 140 | 105 | 75 | 55 | 51 | 16 | 4-14 | 112 | 160 | | 25 | 150 | 115 | 85 | 65 | 58 | 16 | 4-14 | 123 | 160 | | 32 | 180 | 135 | 100 | 78 | 66 | 18 | 4-18 | 150 | 250 | | 40 | 200 | 145 | 110 | 85 | 76 | 18 | 4-18 | 156 | 250 | | 50 | 220 | 160 | 125 | 100 | 88 | 20 | 4-18 | 172 | 350 | | 65 | 250 | 180 | 145 | 120 | 110 | 22 | 8-18 | 197 | 350 | | 80 | 280 | 195 | 160 | 135 | 121 | 22 | 8-18 | 222 | 450 | | 100 | 320 | 230 | 190 | 160 | 150 | 24 | 8-23 | 253 | 450 | | 125 | 400 | 270 | 220 | 188 | 176 | 28 | 8-25 | 275 | 600 | | 150 | 400 | 300 | 250 | 218 | 204 | 30 | 8-25 | 286 | 800 | | 200 | 550 | 375 | 320 | 282 | 260 | 38 | 12-30 | 340 | 1200 | | 6.4MPa | 15 | 165 | 105 | 75 | 55 | 40 | 18 | 4-14 | 105 | 140 | 凹凸法蘭 MFM Q41F-64C Q41PPL 64 64P 64R | 20 | 190 | 125 | 90 | 68 | 51 | 20 | 4-18 | 125 | 160 | | 25 | 216 | 135 | 100 | 78 | 58 | 22 | 4-18 | 135 | 250 | | 32 | 229 | 150 | 110 | 82 | 66 | 24 | 4-23 | 150 | 350 | | 40 | 241 | 165 | 125 | 95 | 76 | 24 | 4-23 | 165 | 350 | | 50 | 292 | 175 | 135 | 105 | 88 | 26 | 4-23 | 175 | 450 | | 65 | 330 | 200 | 160 | 130 | 110 | 28 | 8-23 | 200 | 450 | | 80 | 356 | 210 | 170 | 140 | 121 | 30 | 8-23 | 210 | 600 | | 100 | 432 | 250 | 200 | 168 | 150 | 32 | 8-25 | 250 | 700 | | 125 | 508 | 295 | 240 | 202 | 176 | 36 | 8-30 | 295 | 1100 | | 150 | 559 | 340 | 280 | 240 | 204 | 38 | 8-34 | 340 | 1500 |
球閥作為一種重要的流體控制設備,廣泛應用于各種工業領域。然而,對于許多人來說,球閥的安裝與使用可能并不十分清楚。本文旨在為大家提供一份詳盡的球閥安裝與使用指南,以確保您能夠正確、高效地完成安裝并安全地使用球閥。正確安裝法蘭球閥是其正常運行的基礎。安裝前,先檢查閥門外觀,確保無損壞、變形,球體轉動靈活。再根據管道的公稱直徑、壓力等級,選擇適配的法蘭球閥。安裝時,將閥門放置在管道連接部位,使閥門兩端的法蘭與管道法蘭精確對齊,注意保持閥門的水平或垂直安裝位置符合設計要求,例如在水平管道上,閥門通常應水平安裝,以保證閥桿操作順暢。然后,使用螺栓將閥門法蘭與管道法蘭緊密連接。在擰緊螺栓時,需遵循對角擰緊原則,分多次逐步擰緊,確保每個螺栓受力均勻,避免因受力不均導致法蘭密封不嚴。同時,要在法蘭之間放置合適的密封墊片,如橡膠墊片、金屬纏繞墊片等,墊片的材質需根據輸送介質和工作溫度選擇,確保良好的密封效果。安裝完成后,不要立即投入使用,先手動操作閥桿,檢查球體轉動是否正常,有無卡滯現象。然后,對整個管道系統進行壓力測試,檢查閥門及管道連接處是否有泄漏,確認無問題后,方可正式使用,保障管道系統安全穩定運行 。 
◆ Q41F不銹鋼法蘭球閥選型分析安裝前準備在安裝球閥之前,必須確保管道的同軸和密封面的平行,且兩法蘭密封面平行。管道應能承受球閥的重量,否則需配備適當的支撐。同時,要吹掃閥前后管線,清除油污、焊渣及其他雜質。此外,還需核對球閥標志,確認其完好無損,并通過全開全閉測試來驗證其工作狀態。在拆除球閥兩端連接法蘭上的保護件后,應仔細檢查閥孔并清洗,以確保閥座與球之間無任何微小顆粒異物,避免損傷閥座密封面。 ◆ 球閥安裝步驟將球閥裝上管線,注意球閥的任何一端都可裝在上游端。對于手柄驅動的球閥,可以安裝在管道上的任意位置。然而,如果球閥帶有齒輪箱或氣動裝置,則應直立安裝,即水平管道上且驅動裝置位于上方。在安裝過程中,需按照管路設計要求在閥法蘭與管線法蘭間裝上密封墊,并確保法蘭上的螺栓對稱、逐次、均勻地擰緊。若采用氣動驅動器,還需連接氣動管線。 
◆ 安裝后檢查安裝完成后,應操作驅動器多次啟閉球閥,確保其靈活無滯澀。同時,需按照管路設計要求對管道與球閥間的法蘭結合面進行密封性能檢查。 02Q41F不銹鋼法蘭球閥選型分析球閥使用注意事項 
◆ 注意操作事項在使用球閥時,必須確認球閥上、下游管道已卸除壓力,才能進行拆卸分解操作。清洗零件時應注意非金屬零件不得長時間浸泡在清洗劑中。裝配時需確保法蘭上的螺栓對稱、逐步、均勻地擰緊。此外,應選用與球閥中各部件及工作介質相容的清洗劑進行清洗。當工作介質為燃氣時,可用汽油清洗金屬零件,而非金屬零件則用純凈水或酒精清洗。最后,在分解下來的單個球閥零件清洗時,應去除粘附在壁面上的油脂、污垢等雜質。特別注意,在分解與再裝配球閥時,務必謹慎,以免損壞任何零件的密封面,特別是非金屬零件。 ◆ 清洗與潤滑脂注意事項清洗完畢后,需等待清洗劑揮發(可用未浸清洗劑的綢布擦拭),隨后立即進行裝配。但請注意,不可長時間擱置,以防零件生銹或被灰塵污染。新購置的零件在裝配前也必須清洗,確保其潔凈無瑕。 潤滑脂的選擇至關重要,它必須與球閥的金屬材料、橡膠件、塑料件以及工作介質相容。例如,當工作介質為燃氣時,可以考慮使用特221潤滑脂。在裝配過程中,應在密封件安裝槽、橡膠密封件以及閥桿的密封面和摩擦面上均勻涂抹一層薄潤滑脂。裝配時必須確保零件表面及內腔無金屬碎屑、纖維、油脂(除非特定使用)、灰塵及其它雜質或異物污染、粘附或停留。 |